智能余壓監控系統為何如此受歡迎
閱讀次數:1973 發布時間:2021-05-07

余壓監測系統又稱差壓監測系統。為確保火災發生時疏散通道的余壓得到有效控制,不僅可以防止煙氣擴散,還可以方便疏散人員打開防火門逃生,保障疏散安全,公司嚴格按照國家標準GB 50016-2014《建筑設計防火規范》和《建筑防排煙系統技術規范》開發智能疏散通道余壓監測系統該系統是一個集成工控機技術的智能化系統,通信、抗電磁干擾、數字傳感技術和工業現場總線控制技術。可24小時實時監測疏散通道余壓工作狀態,余壓異常報警。發生火災時,系統可自動控制機械加壓送風系統的送風量,也可在消防控制中心進行遠程控制。
智能余壓監控系統設計的必要性
為什么要設計旁通閥來控制加壓送風系統的正壓值?火災發生之后,它能起到什么作用。
眾所周知,火災發生時,絕大多數傷亡不是火災造成的,而是煙霧造成的。隨著可燃物的燃燒,產生大量的高溫煙氣。煙氣之中含有大量未完全燃燒的有毒有害物質,通過人體呼吸道吸入人體,對人員安全構成嚴重威脅,以有效控制火勢蔓延,防止煙氣蔓延。加壓送風系統的出風口可在樓梯棟和消防前室形成正壓,防止有害煙氣進入疏散通道。但當加壓送風系統的送風量和時間不可控時,由于前室正壓過大,防火門無法打開,正常逃生路線可能造成嚴重后果。鑒于上述考慮,公安部四川省消防科學研究院結合國際經驗提出了余壓數據。壓差控制系統通過控制旁路閥的開閉,將機械加壓送風系統的余壓值有效控制在國家標準要求的合理范圍之內,防煙樓梯間為40-50pa,前室為25-30pa,合用前室,消防電梯房前室及封閉避難層(室)。這不僅防止有害煙霧進入,同時也保證了在人員需要疏散時,防火門能正常開啟和關閉。
系統滿足gb51251《建筑防排煙系統技術標準》和GB50016《建筑設計防火規范》等國家相關標準的功能要求。
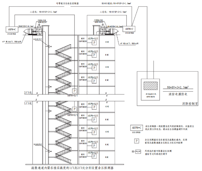
疏散通道系統圖

西安邦華電氣——余壓監測系統的產品優勢
1.高安全性
采用加密算法保證數據傳輸的安全性,為消防部門、聯網單位和維修公司的用戶設置數據訪問權限,并提供相應的信息服務。
2.易于安裝
易于安裝和施工。




