ZD-PD-300-5應急照明配電箱
閱讀次數:1674 發布時間:2020-12-16

ZD-PD-300-5應急照明配電箱——新產業新發展
智能消防ZD-PD-300-5是城市消防管理的創新模式。為適應消防“自動化”、消防救援指揮“智能化”、日常執法工作系統化、軍隊管理“精細化”的實際需要,大力依托和推廣大數據、云計算等新一代信息技術,物聯網、地理信息等,創新消防智能防控、智能運行、智能執法、智能智能管理的消防管理模式。
智能消防疏散指示系統ZD-PD-300-5基于物聯網、云計算、大數據、人工智能等新技術的智能消防,實現“讓世界沒有火,社會更安全”的使命,加快智慧城市安全建設。
智能消防具有多功能集成的能力。它不僅可以幫助人們完成對重要消防場合的監控和管理,而且可以實現數據采集,形成一個完整的監控系統,在安全方面具有絕對優勢。ZD-PD-300-5智能消防促進社會效益最大化?!薄爸悄芟?人工智能”既迎合了國家創新倡導,又是智能消防產業的新嘗試。

ZD-PD-系列智慧消防產品相關型號
ZD-PD-300-5、ZD-PD-300-6、ZD-PD-600、ZD-PD-500
智能消防平臺功能介紹
1.實時報警及設備狀態顯示
設備在線、離線實時顯示,可快速查詢離線設備狀態。當端部探測器發生報警或故障時,智能疏散指示系統ZD-PD-300-5平臺首頁會快速報警,提醒人員排查隱患。隱患消除之后現場確認。
2.大數據分析
搭建消防物聯網和數據分析決策平臺,實現接入單元關鍵部位和關鍵區域的信息化、智能化、動態監控,開展大數據分析與應用。并根據統計數據,對火災問題突出的重點部位進行了有針對性的調查排查。應急照明配電箱ZD-PD-300-5能有效提高主管部門的工作效率,規范業主的消防安全工作流程。
3.歷史數據查詢
消防救援系統ZD-PD-300-5長期實時采集報警、故障數據,方便消防單位分析設備運行管理情況。為火災事故的查詢提供依據。
4.移動應用終端數據顯示
提供設備狀態和報警信息在移動應用端同步顯示等功能。與網絡端相比,移動應用程序更方便消防員查看設備狀態。
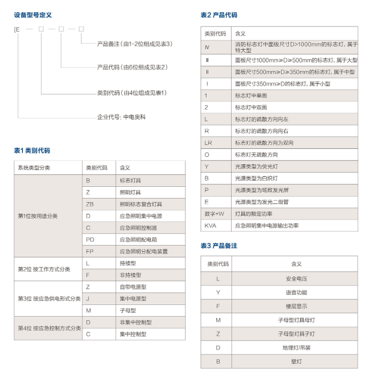
型號釋義圖

應急照明配電箱技術參數
外形尺寸:(寬)600mm×(高)1000mm×(深)300mm(ZD-PD-300型)
(寬)500mm×(高)600mm×(深)200mm(ZD-PD-300-6型)
主用電源:AC220V/50Hz ±10% 或者AC380V/50Hz ±10%
備用電源:AC220V/50Hz ±10% 或者AC380V/50Hz ±10%
輸出電壓:AC220V AC36V
輸出回路:1~6回路,回路數及控制燈具數量,根據實際工程確定。
雙路電源切換時間:2S
強制應急切換時間:1S
安裝方式:嵌墻暗裝或壁掛明裝
ZD-PD-300-5應急照明配電箱主要功能
·應急照明配電裝置-與集中應急電源連接。
·隔離和斷開、過載和短路保護功能,用作進線開關、電源開閉隔離。
·為終端標志燈提供ac36v安全電源電壓。
·能與系統主機通訊并報告其工作狀態。接收消防信號,切斷電源,發出反饋信號。傳統的標志燈具采用AC220V供電,由于疏散指示燈的特殊性,不適合停電檢修,增加了檢修風險。同時,一旦發生火災,自動噴水滅火系統開啟,燈具容易隨濕墻漏電。
·智能照明配電箱ZD-PD-300-5可為受控燈具提供ac36v安全電壓。因為這是一個安全電壓,疏散指示標志可以忽略,并且可以在潮濕的環境之中持續保持燈具。




