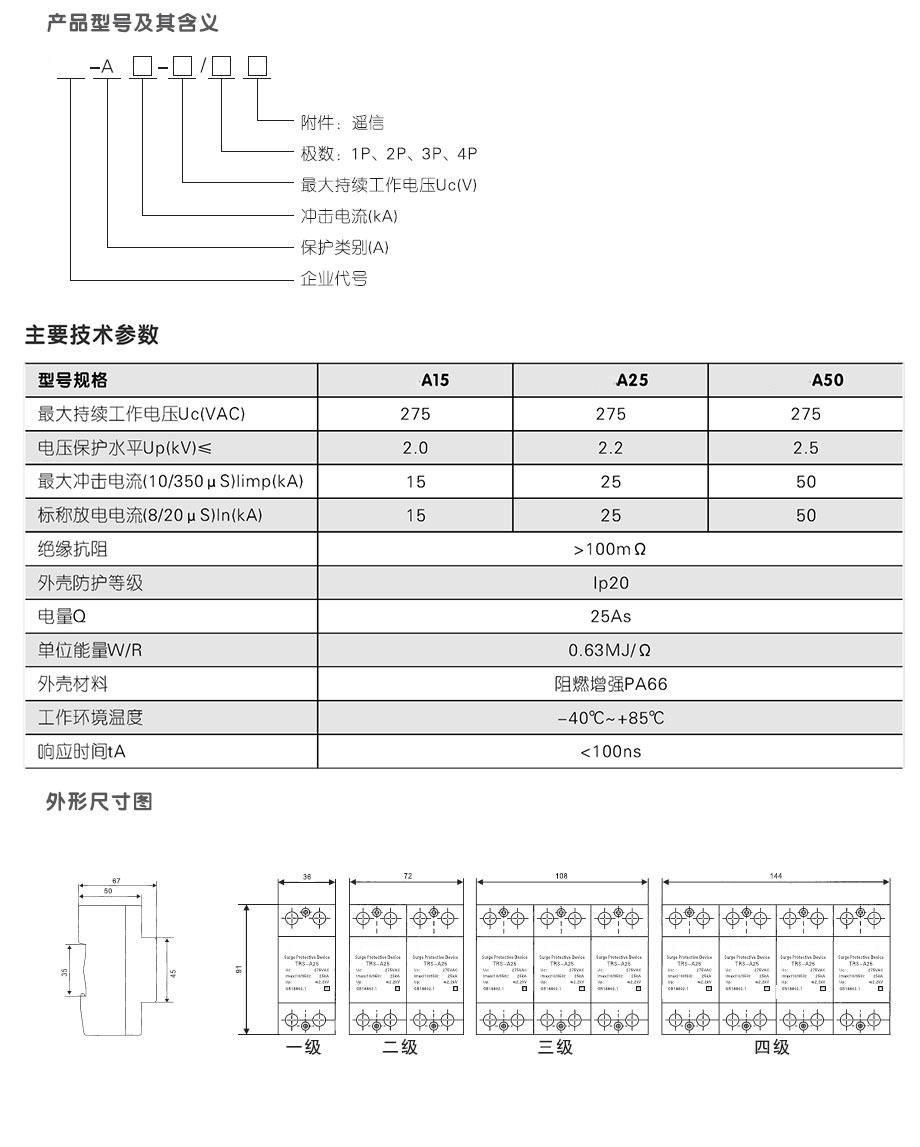
A型一級實驗電涌保護器10/350us
閱讀次數:2253 發布時間:2020-10-22

產品概述
BH-A系列石墨間隙電涌保護器屬于一級防雷(10/350波形),適用于交流50/60Hz,額定電壓至380V的IT、TT、TN-C、TN-S、TN-C-S,等供電系統,對間接雷電和直接雷電影響或其他瞬時過電壓的電涌進行保護。
SPD其設計依據符合GB18802.1/IEC61643-1標準。
主要結構與工作原理
在三相四線制系統中,三條相線和一條零線對接地線之間均有保護器。在正常情況下保護器處于高電阻狀態, 當電網因雷擊或其他原因出現浪涌過電壓時, 保護器在納秒級時間內迅速導通, 將浪涌過電壓引入大地,從而保護電網上的用電設備。當該浪涌電壓通過保護器且消失后,保護器重新恢復到高電阻狀態,從而不影響電網的正常運行。
產品安裝
采用35mm的標準導軌安裝,連接銅質多股導線為2.5~35mm2。
SPD每極前端必須設置保護一使用熔斷路或小型斷路器雷電流SPD保護,用于SPD擊穿后短路保護。
SPD安裝于被保護線路(設備)前端,并連接于供電線路。A級產品安裝于建筑物入戶線路電涌電流較大的總配電箱,B、C級產品多安裝于樓層分配電箱,D級產品緊挨設備前端電涌電流較小,殘壓要求較低的場合。

上一篇:第一篇
下一篇:BH-I50系列電涌保護器


